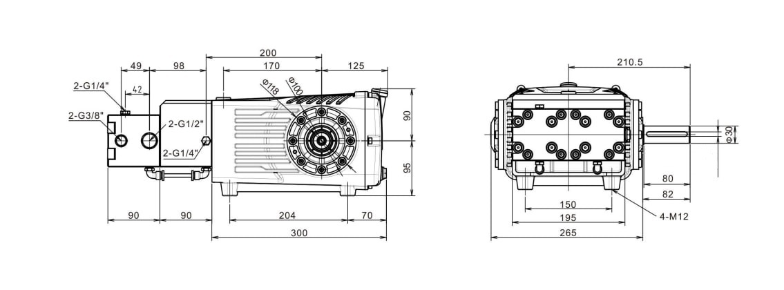
Rindevand (RV) GMSVD: Насос высокого давления 18 литров, 1000 бар
Насосы высокого давления играют важную роль в различных промышленных процессах, обеспечивая необходимые параметры для эффективной работы оборудования. В этой статье мы подробно рассмотрим насос высокой производительности Rindevand (RV) GMSVD, обладающий мощностью до 1000 бар и объемом 18 литров. Мы также обсудим его преимущества, технологии и возможности применения, а также возможность приобрести этот насос на платформе Gidro.market.
Введение в насосы высокого давления
Насосы высокого давления используются в многих отраслях: от нефтегазовой и химической промышленности до сферы очистки и охраны окружающей среды. Они могут выполнять различные задачи, включая подачу жидкости, создание давления для различных процессов, а также в системах, требующих строгого контроля за параметрами среды. Именно поэтому выбор такого оборудования должен основываться на четком понимании его специфики и требований.
Принципы работы насосов высокого давления
Насосы высокого давления работают на основе различных принципов, включая механическое, электрохимическое и гидравлическое воздействие. Основная задача насосов заключается в перемещении жидкости из одного места в другое, создавая давление, необходимое для преодоления окончания трубопроводов, фильтров и других элементов системы. В случае Rindevand (RV) GMSVD насос работает с использованием механизма, который обеспечивает высокую производительность и надежность.
Особенности Rindevand (RV) GMSVD
Дизайн и конструкция
Насос Rindevand (RV) GMSVD спроектирован с учетом требований современных пользователей. Он отличается прочной конструкцией, что обеспечивает ему долговечность и способность работать при высоких нагрузках. Корпус насоса выполнен из высококачественных материалов, устойчивых к коррозии и механическим повреждениям. Это позволяет использовать его в сложных условиях, таких как низкие или высокие температуры, а также в агрессивных средах.
Объем и давление
С объемом 18 литров и максимальным давлением 1000 бар насос Rindevand (RV) GMSVD способен справляться с задачами, которые требуют значительных усилий и надежности. Высокое давление, которое он может создавать, делает его идеальным для применения в различных отраслях, включая:
- Охлаждение и смазка механических систем;
- Очистка и подготовка оборудования;
- Транспортировка жидкостей и газов.
Разнообразие применения делает этот насос универсальным выбором для многих промышленных процессов.
Преимущества насоса Rindevand (RV) GMSVD
Энергетическая эффективность
Одним из главных преимуществ Rindevand (RV) GMSVD является его энергоэффективность. Насос разработан с учетом современных технологий, что позволяет значительно снизить расход энергии при сохранении высоких производственных показателей. Это не только экономит средства, но и минимизирует негативное влияние на окружающую среду.
Надежность и долговечность
Надежность является ключевым аспектом в работе любого промышленного оборудования. Насос Rindevand (RV) GMSVD проходит строгие тесты на прочность и работоспособность, что гарантирует его эффективное функционирование даже в самых сложных условиях. Благодаря использованию качественных материалов, насос может прослужить длительное время без необходимости в частом обслуживании или ремонте.
Легкость в эксплуатации
Современные насосы, такие как Rindevand (RV) GMSVD, также разработаны с учетом удобства пользователя. Простой и интуитивно понятный интерфейс управления позволяет легко управлять насосом и адаптировать его под различные задачи. Это особенность значительно упрощает процесс эксплуатации и минимизирует вероятность ошибок.
Области применения Rindevand (RV) GMSVD
Промышленность
Rindevand (RV) GMSVD используется в различных секторах промышленности, таких как:
- Нефтегазовая промышленность.
- Химическая промышленность.
- Машиностроение.
Каждое из этих направлений требует высококачественного насосного оборудования, способного выдерживать суровые условия работы.
Строительство
В строительстве блоки и конструкции регулярно требуют высокое давление для различных процессов. Насос Rindevand (RV) GMSVD может использоваться для подачей бетонных смесей, а также в процессе гидравлической цементации. Это помогает ускорить строительные процессы и повысить их эффективность.
Системы очистки
Другим важным направлением является использование насосов в системах очистки. Например, Rindevand (RV) GMSVD может применяться для очистки оборудования, что способствует более длительному сроку службы техники. Высокое давление позволяет эффективно устранять загрязнения и поддерживать чистоту.
Заключение
Насос высокого давления Rindevand (RV) GMSVD с объемом 18 литров и максимальным давлением 1000 бар — это надежное и универсальное решение для различных промышленных задач. Его отличительная черта — высокая производительность, долговечность и легкость в эксплуатации. Возможность приобретения этого устройства через онлайн-платформу Gidro.market делает процесс покупки удобным и быстрым.
Таким образом, если вы ищете надежный насос высокого давления, Rindevand (RV) GMSVD станет отличным выбором для вашего бизнеса. Выбирая качественное оборудование, вы гарантируете эффективность и надежность выполнения производственных процессов.
