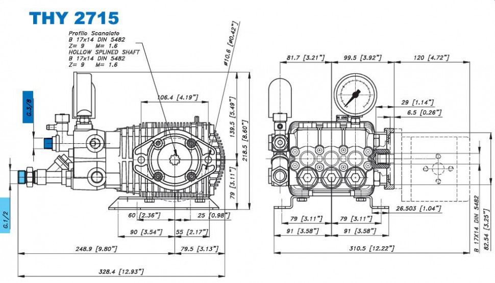
Трехплунжерный насос высокого давления Bertolini THY 2715 (Гидро (ман.+опоры) (27 л/мин 150бар) 6кВт
Трехплунжерный насос высокого давления – это специализированное оборудование, которое используется для создания высоких давлений в различных промышленных и бытовых задачах. Одним из наиболее популярных моделей такой техники является Bertolini THY 2715 (Гидро (ман.+опоры) (27 л/мин 150бар) 6кВт.
Особенности Bertolini THY 2715
Высокая производительность
Трехплунжерный насос Bertolini THY 2715 имеет производительность 27 литров в минуту и максимальное давление в 150 бар. Это делает его идеальным выбором для задач, требующих высокой мощности и надежности.
Энергоэффективность
С мощностью в 6 кВт, насос Bertolini THY 2715 является энергоэффективным решением. Он позволяет экономить электричество, не уступая при этом в производительности.
Надежность и долговечность
Насосы Bertolini известны своей долговечностью и устойчивостью к износу. Модель THY 2715 не исключение: она создана из высококачественных материалов, которые обеспечивают долгий срок службы и минимальные затраты на обслуживание.
Применение трехплунжерного насоса высокого давления
Промышленное использование
Трехплунжерные насосы высокого давления, такие как Bertolini THY 2715, широко используются в различных отраслях промышленности. Они идеально подходят для очистки оборудования, трубопроводов, резервуаров и других поверхностей.
Бытовое использование
В бытовых условиях насос Bertolini THY 2715 может использоваться для мойки автомобилей, дорожек, фасадов зданий и прочих поверхностей, требующих высокой мощности давления.
Преимущества использования Bertolini THY 2715
Экономия времени и усилий
Использование трехплунжерного насоса высокого давления Bertolini THY 2715 позволяет значительно сократить время и усилия, затрачиваемые на выполнение различных задач. Высокая производительность и мощность насоса обеспечивают быстрое и эффективное выполнение работы.
Минимальные эксплуатационные расходы
Благодаря своей энергоэффективности и надежности, насос Bertolini THY 2715 требует минимальных затрат на эксплуатацию и обслуживание. Это позволяет существенно сократить общие расходы на его использование.
Что следует знать?
![]() |
Подходит для работы с водой, температура которой до +65℃. |
![]() |
Насос не рассчитан на перекачивание потенциально опасных жидкостей. |
![]() |
Латунный блок, кривошипно-шатунный механизм. |
![]() |
Производительность Bertolini THY 2715 — 27 л/мин. |
![]() |
Максимальная производительность — 1620 л/час. |
![]() |
Гарантия от завода производителя. |









