Плунжерный насос высокого давления GM Botau GF 36 130 бар 150 л/мин является новой усовершенствованной моделью PINFL PF36 и прямым аналогом насосов HPP ELS 150/130
Насос высокого давления GM Botau GF 36 - идеальное решение для современных роботизированных моечных комплексов. С его высокой производительностью до 150 литров в минуту и давлением до 160 бар, он легко справляется с самыми сложными задачами по очистке поверхностей.
Этот насос отличается не только высокой скоростью работы, но и минимальной потребностью в обслуживании. Благодаря прочной и надежной конструкции выполненной из высокопрочных сплавов, GF 36 способен на непрерывную и продолжительную работу в течении длительного времени в самых экстремальных условиях.
Если Вам нужен мощный и надежный насос для вашей роботизированной мойки либо на замену вышедшего из строя насоса устаревшей версии, который обеспечит высокую производительность и минимальные затраты на обслуживание, то GM Pumps GF 36 - ваш идеальный выбор. Независимо от того, какие нагрузки испытывает ваше оборудование, этот насос гарантирует эффективность и надежность, которые необходимы для успешной и эффективной мойки в промышленной среде.
Насосы GM Pump - трехпоршневые, промышленные насосы высокого давления с шатунно-кривошипной системой, отличающееся высокой производительностью и не требующие частого технического обслуживания. Данные характеристики достигаются за счет применения, при изготовлении данного насоса, современных высокопрочных материалов и передовых технологий.
Альтернативные сферы применения:
- Гидродинамическая прочистка канализации
- Дренажная очистка
- Удаление окалин с металла
- Гидравлические испытания (опрессовка систем отопления)
- Бурение скважин
- Коммунальное хозяйство
- Нефтехимическая промышленность
- Горнодобывающая промышленность (золотодобыча)
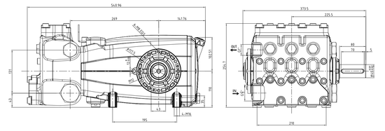
Устройство насоса :
- Увеличенные направляющие поршневые штоки из высокопрочной нержавеющей стали.
- Увеличенный вал.
- Толстые керамические поршни.
- Всасывающий и нагнетательный клапаны с увеличенными проходами.
- Увеличенные шатуны из специального антифрикционного сплава.
- Головка насоса из высокопрочной нержавеющей стали.



