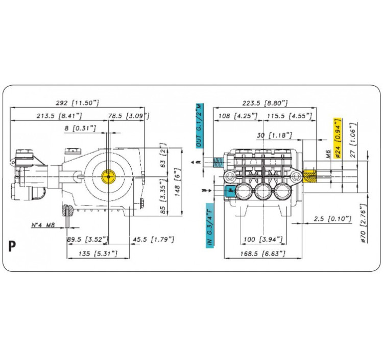
Трехплунжерный насос высокого давления Bertolini С 40.1 (40 л/мин 50бар) 3 кВт
Трехплунжерный насос высокого давления – это специализированное оборудование, которое используется для создания высоких давлений в различных промышленных и бытовых задачах. Одним из наиболее популярных моделей такой техники является Bertolini С 40.1 (40 л/мин 50бар) 3 кВт.Особенности насоса Bertolini С 40.1
Высокая производительность
Трехплунжерный насос высокого давления Bertolini С 40.1 (40 л/мин 50бар) 3 кВт предназначен для работы с высокими нагрузками. Он способен перекачивать до 40 литров жидкости в минуту при давлении до 50 бар. Это делает его идеальным выбором для задач, требующих большого объема и высокого давления.
Энергоэффективность
С мощностью двигателя в 3 кВт, этот насос обеспечивает отличную энергоэффективность. Это означает, что вы получите максимальную производительность при минимальных затратах энергии. Это особенно важно в условиях, где энергосбережение играет ключевую роль.
Надежность и долговечность
Bertolini славится высоким качеством своих продуктов, и трехплунжерный насос высокого давления Bertolini С 40.1 (40 л/мин 50бар) 3 кВт не является исключением. Насос изготовлен из высококачественных материалов, что гарантирует его долговечность и надежность в эксплуатации.
Применение насоса Bertolini С 40.1
Промышленные процессы
Этот насос идеально подходит для различных промышленных процессов, включая очистку и мойку оборудования, транспортировку жидкостей и химических веществ, а также для использования в системах охлаждения.
Сельское хозяйство
В сельском хозяйстве трехплунжерный насос высокого давления Bertolini С 40.1 (40 л/мин 50бар) 3 кВт может использоваться для орошения, распыления удобрений и средств защиты растений. Его высокая производительность и надежность делают его незаменимым помощником на ферме.
Автомойки
Автомойки также могут извлечь выгоду из использования этого насоса. Высокое давление и производительность позволяют эффективно и быстро очищать автомобили, что повышает качество обслуживания клиентов.
Преимущества насоса Bertolini С 40.1
Высокая эффективность
Благодаря трехплунжерной конструкции насос обеспечивает стабильную и непрерывную подачу жидкости, что увеличивает его эффективность и производительность.
Долговечность
Использование высококачественных материалов и продуманная конструкция гарантируют длительный срок службы насоса, снижая затраты на обслуживание и ремонт.
Простота в использовании
Насос легко устанавливается и обслуживается, что упрощает его использование в различных приложениях.
Что следует знать?
![]() |
Подходит для работы с водой, температура которой до +65℃. |
![]() |
Насос для химических жидкостей. |
![]() |
Латунный блок, кривошипно-шатунный механизм. |
![]() |
Производительность Bertolini С 40.1 — 40 л/мин. |
![]() |
Максимальная производительность — 2400 л/час. |
![]() |
Гарантия от завода производителя. |








